棉条筒
手动纺织清洁捻枪
充电式电动清洁捻枪
地 址:常州市武进经济开发区礼河镇
电 话:0519-83663168
传 真:0519-83660318
联系人:陈国民(13506123158)
沈 莉(13815081358)
邮 箱:
czyufeng@czyufeng.cn
1、圆锥形外形设计,表面光滑,不易沾花、挂花。
2、固定轮为高强度优质合金材料压铸成形、绝不变形、不开裂。
3、运动轮为耐磨性极佳的POM材料,经久耐用,不损伤设备和车间地面。
4、少量缠绕在滑轮上的废花一旦形成圈状后,经棉条桶移动时固定轮与运动轮之间的窜动,由固定轮外沿圈将废棉圈强行推拦至运动轮下部,废棉圈即自行脱落。
5、移动变向灵活,大大地减少了车间工人劳动强度,提高了工作效率,节省了生产成本。
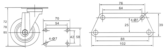
规格型号、安装尺寸
单位/Unit:mm
规格型号
高度
底板尺寸
孔距
孔径
PW-72C
72
70×58
54×42
7
PW-78C
78
PW-85C
85
PW-72C
72
102×76×39
88×64×25
PW-78C
78
PW-85C
85
网站首页
|
公司简介
|
产品介绍
|
新闻中心
|
企业荣誉
|
招标中心
|
资讯中心
|
人才招聘
|
在线交易
|
联系我们
|
ENGLISH
常州裕欣民纺织器材有限公司
版权所有(C)2014 网络支持
中国纺织网
中华纺织网
生意宝
著作权声明
[后台管理]
苏ICP备2021036205号-1
·
生意宝登录
·
生意宝注册
会员登陆
账号:
密码: